Centrifugal Fans — Series U/DS
Double-inlet centrifugal fans designed for industrial air handling and ventilation systems.
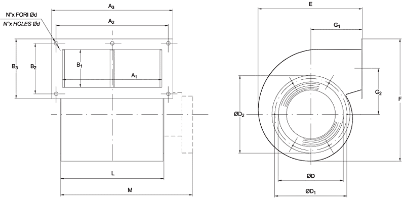
The U/DS series double-inlet centrifugal fans are engineered to convey air at temperatures up to 80 °C and are ideal for industrial plants requiring reliable suction and air movement performance with robust mechanical characteristics.
The U/DS fans are designed for:
- Industrial ventilation and air extraction
- Moving clean or non-abrasive air at elevated temperatures
- Systems where symmetrical airflow and double suction performance are needed
- Installation in ducted networks where stable performance is required
These fans use double-inlet impellers for improved airflow capacity while maintaining compact footprint and stable operation.