Centrifugal Fans — Series U/DS 

Double-inlet centrifugal fans designed for industrial air handling and ventilation systems.

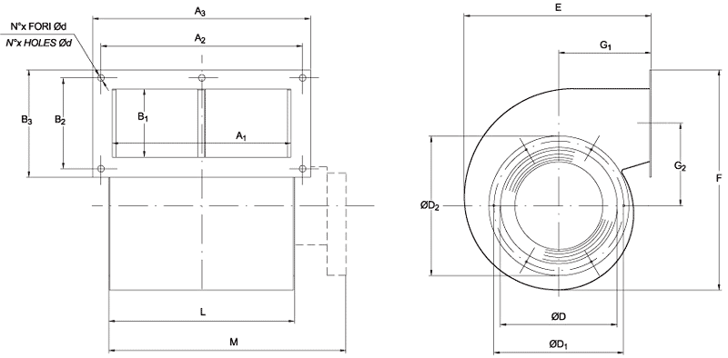
The U/DS series double-inlet centrifugal fans are engineered to convey air at temperatures up to 80 °C and are ideal for industrial plants requiring reliable suction and air movement performance with robust mechanical characteristics. 

Contact us

The U/DS fans are designed for:

  • Industrial ventilation and air extraction
  • Moving clean or non-abrasive air at elevated temperatures
  • Systems where symmetrical airflow and double suction performance are needed
  • Installation in ducted networks where stable performance is required

These fans use double-inlet impellers for improved airflow capacity while maintaining compact footprint and stable operation.

Applications

Industrial ventilation systems

Air movement • Continuous circulation

Air extraction networks

Removal from enclosed spaces • Duct systems

General air handling

Manufacturing halls • Process zones

Suction of clean or lightly dusty air

Non-abrasive conditions • Stable operation

DISCOVER OTHER PRODUCTS